Skip to main content

RokDoc

Pore Pressure Prediction & Geomechanics

Geologically Driven Pressure Prediction That Reduces Uncertainty

A complete package for 1D to 3D pressure analysis and prediction. Combines geophysics, geology, rock-physics geomechanics, drilling data, and global analogs to build robust, geologically driven pressure and stress models. Quickly analyze pressure and stress data, integrate all offset well data, seismic data and geological data and assess the uncertainty within these models to gain greater insight into undrilled prospect areas.  


Powerful and Intuitive Tools for Pore Pressure and Stress Modeling

Access to all data types in a single platform enables knowledge capture and utilization in consistent pressure and stress workflows. The seamless interaction between pre-drill modeling to real-time monitoring ensures no loss of information for safe and cost-effective well delivery.

3DBaseRes

2D/3D Pressure and Stress Models

Propagate 1D models into 2D/3D using a wide selection of geostatistical and inversion models. Articulate decisions and maximize safety using best-in-class workflows to effectively communicate well planning and trajectory risks using a clear visualization environment.

Capture Uncertainty

Pore pressure and stress models are derived from multi-disciplinary approaches and as such there are many factors that need to be considered and visualized to effectively capture the uncertainty within these pore pressure and fracture gradient (PPFG) models. The crucial part is the risks are effectively communicated during the well-planning process to all teams involved. Using scenarios and stochastic modeling allows analysts to explore the uncertainty within the datasets and quickly test multiple potential outcomes.

Pore Pressure Prediction & Geomechanics Add-ons

Optional Add-Ons extend the Pressure Prediction module with geomechanical workflows and seismic-driven pressure calculation, supporting robust stress analysis, pore and fracture pressure estimation, and integrated geological modeling.

 

 

Geomechanics and Image Logs

Understanding the stress state in the earth is of vital importance for well plan design, completions optimization, cap rock integrity, and wellbore stability. Finding a prospect is only part of the battle; safely drilling the well and optimising production is the end goal.

Accelerate learnings of rock mechanical properties and predict where and when those rocks will deform.
Interpretation of image logs for borehole breakouts, sedimentology and fractures. Interactive geomechanical model building, analysis and scenario modelling. Key features include; surface picking and image log conditioning, static-dynamic property calibration, wellbore stability, stereonets and more.

rokdoc-pressure-prediction-geomechanics 

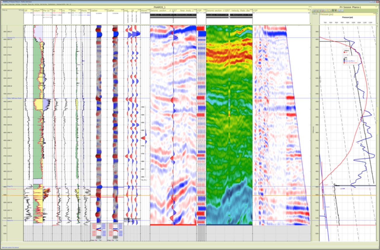
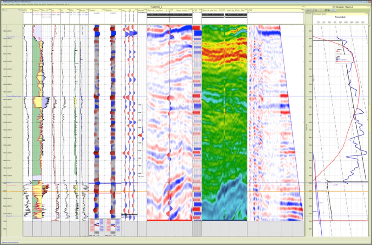
Seismic-Based Pore Pressure and Stress Modeling

Pre-drill estimates of pore pressure are commonly derived from well log data and seismic velocity data assuming a velocity-to-effective stress transforms is appropriate. Some of the many challenges in performing predictions with seismic velocities is down to the quality, calibration, scale, extrapolation, and the geological environment that is present. If valid then these models provide useful and intuitive ways of communicating risks between assets and business units.

Effectively communicate pressure and stress related risks with multiple stakeholders
Develop 3D models for prediction of subsurface pore pressures away from well control. Key features include; 3D model building, zone-based overburden and normal compaction trends, seismic velocity calibration, stochastic pore pressure prediction, multi-realisation analysis and well planning.

PressureModeling_grids