Skip to main content

RokDoc

Platform Add-ons

Take RokDoc Further with Additional Technology

Our RokDoc Platform has additional add-ons that can be utilized and add value across RokDoc’s core software modules.


Deep QI

The Deep QI add-on has best-in-class machine learning (ML) algorithms to predict missing data not only using training datasets but also guided with geological knowledge from petrophysics and rock physics. This toolkit accelerates and improves analysis of regional information due to its flexibility in handling data sets of varied size and volume. The functions span the RokDoc platform by leveraging well data, rock physics models, and pressure trends. Streamline rock property trending for Ji-Fi and use trained ML models for petrophysical property prediction.

Ji-Fi

Specific to the Reservoir Characterization module of RokDoc, Ji-Fi (Joint Impedance and Facies Inversion) is a unique Ikon Science technology for estimating facies and impedances directly from seismic data. The method has multiple advantages over both conventional and other facies-based seismic inversion techniques. It is facies-aware and rock physics consistent, and therefore frames the inverse problem correctly. It is a true 3D inversion and allows geological and data uncertainties to be captured and investigated.

External Interface

The RokDoc External Interface is a customizable function that enables users to run proprietary algorithms as plug-ins within the RokDoc environment. Write custom functions to perform calculations on 3D seismic data within the RokDoc project. Plug-ins are written as functions exposed from within external, shared libraries.​
External-Interface

 

Petrel-connector

Petrel Interconnector

Quickly bridge gaps between Petrel (SLB) and RokDoc with a live project and data connection. Dynamically update existing seismic interpretations by leveraging RokDoc rock physics and seismic modeling functions.

OpenSpirit Interconnector

OpenSpirit enables the transfer of data between different vendor data stores via an OpenSpirit link. RokDoc provides a link to OpenSpirit allowing the import and export of well, log, marker and time-depth data and the import of 3D seismic data and horizons from any OpenSpirit selected project. ​
Openspirit-connector

 

Rock
Physics

Robust rock physics tools to predict and model scenarios for diverse play types 

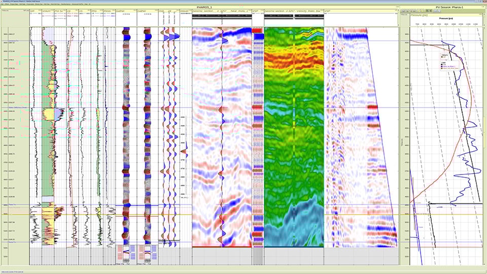
Reservoir
Characterization

Leading seismic modeling, conditioning, inversion, and reservoir characterization tools

Pressure
Prediction

1D to 4D pore pressure and geomechanics model prediction

Platform
Add-ons

Knowledge, machine learning, hardware and, data connectivity across applications